
Osorno often works with consulting engineering firms to assist in process design for water treatment processes.
We also collaborate regularly on design-build projects.
In water and wastewater treatment, our design is always based on a thorough water quality assessment. Some critical water quality parameters must be analyzed on site, while others must be determined at our laboratories. If necessary, Osorno will recruit academic institutions to solve challenges associated with process design.
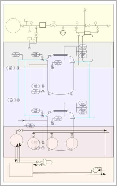
Osorno specializes in the process design of systems involving oxidation and disinfection with chlorine dioxide and packaged water and wastewater systems.
When standard solutions don't work, it is time to turn to Osorno's specialists.
An excellent example of this is the case of the Town of Holland, RM of Victoria. In 2004, Osorno successfully removed iron and manganese from the town's well water using chlorine dioxide. Disinfecting the water removed taste and staining issues at a fraction of the cost of a reverse osmosis (RO) system.
© Osorno Enterprises Inc.